OLED错误修复
边缘计算
这几天画的板子,画的是0.91寸的oled裸屏。但是我写好了驱动程序,对ssd1306写入是没有问题的,但是我的屏幕亮不起来。
发现问题
我对比了中景园电子的原理图,我感觉我自己很难受。 看下面的图:

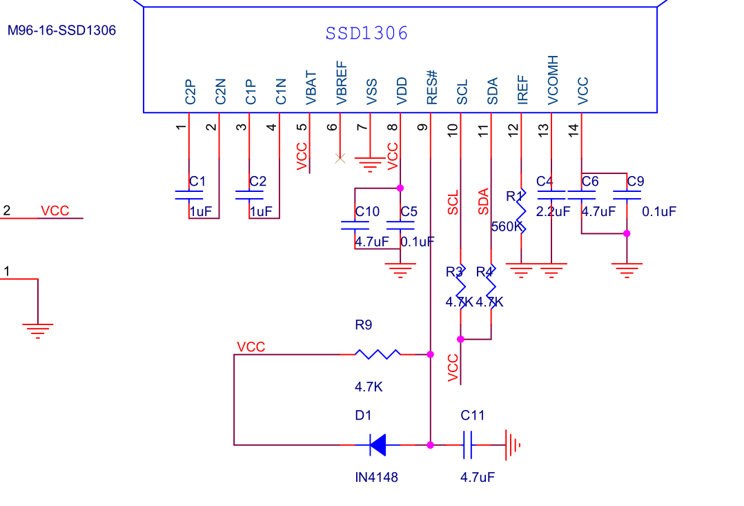
我的原理图:

解决问题
我看了这个屏幕的datasheet发现。这个屏幕的vcc引脚是使能作用,不接或者接地是使能,接高不使能。 所以我把将我的3.3v线割掉了,就成功解决了问题。
July 18, 2018
这几天画的板子,画的是0.91寸的oled裸屏。但是我写好了驱动程序,对ssd1306写入是没有问题的,但是我的屏幕亮不起来。
我对比了中景园电子的原理图,我感觉我自己很难受。 看下面的图:

我的原理图:

我看了这个屏幕的datasheet发现。这个屏幕的vcc引脚是使能作用,不接或者接地是使能,接高不使能。 所以我把将我的3.3v线割掉了,就成功解决了问题。